Tabellarische Produktdaten
| t: | 25 |
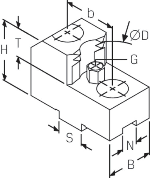
| Spannbereich mm: | 140-237 74-154/148-229 82-143/144-207 80-137/155-213 82-157/145-221 86-170 80-185 |
| G: | M6 |
| Schwingkreis mm: | 336 324/328 297/301 303/307 313/317 346 343 |
| Backenbreite mm: | 40 |
| N mm: | 12 |
| Grundbackenstellung: | I, II |
| Hersteller-Artikelnummer-Shop: | 0139163 |
| Backenhöhe mm: | 50 |



